Come Work For Ham Radio Outlet

TIMEWAVE PK-232RCA

TIMEWAVE PK-232RCA

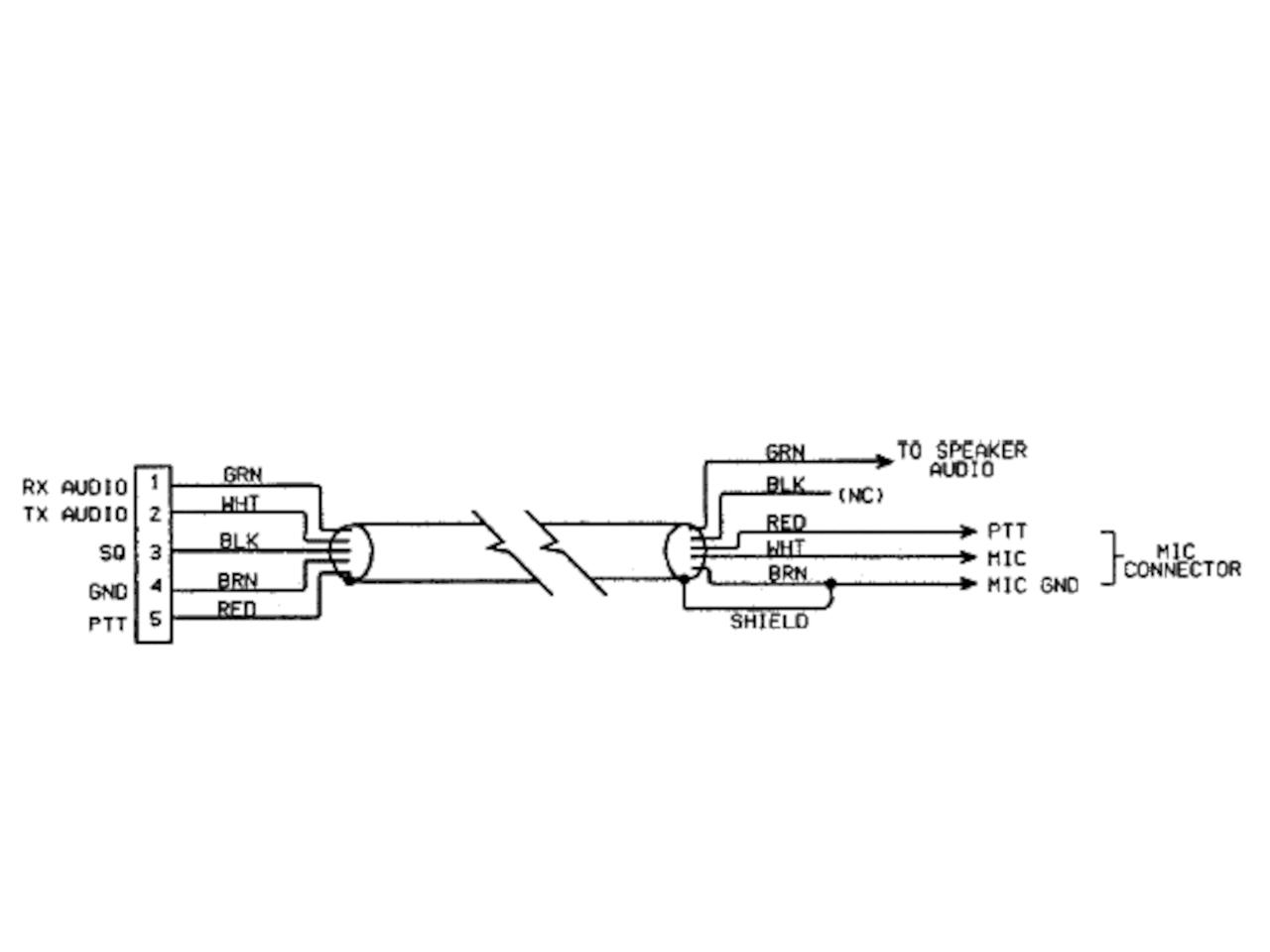
K-232 Radio Cable Assembly - 5 Pin IDC To Open End

Out Of Stock - Delivery Will Be Delayed!

HRO Discount Price: $14.95*

 

*After Coupons & Promotions. Due to the shipping complexity of this item an additional shipping charge will be added when shipped.

Current Stock Status At These Ham Radio Outlet Locations